注册 无障碍 适老化 繁体版 智能机器人 支持IPV6
当前位置:部门>县住房和城乡建设委员会>政务公开>政府信息公开目录>重点信息公示

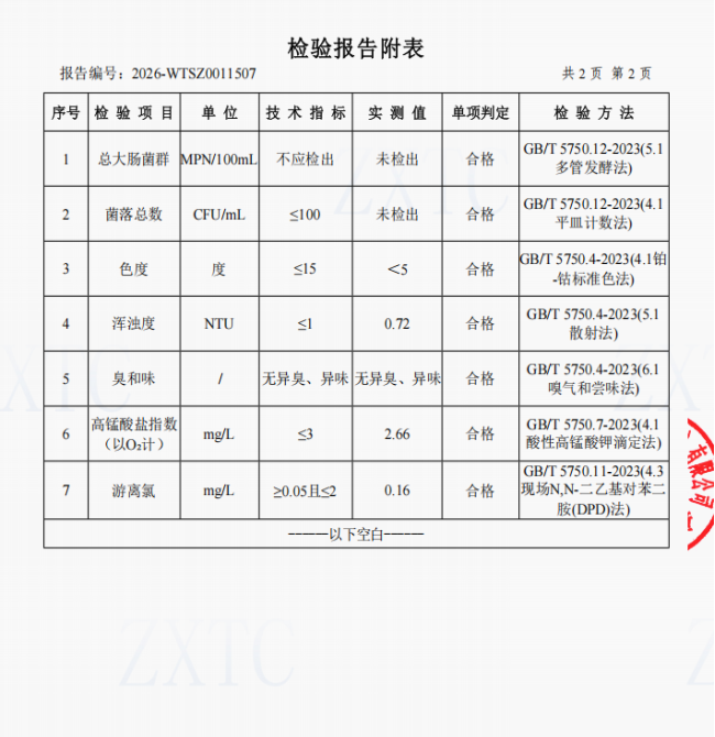
云阳县20263月城市供水水质抽样监测公示

现将20263月肖家湾水厂、四方井水厂水质抽样监测结果公布如下:

1、肖家湾水厂出厂水常规指标

2、肖家湾水厂管网水(三峡梯城景区公厕)常规指标

肖家湾水厂管网水(稻场安置房3)常规指标

肖家湾水厂管网水(云阳县第二初级中学)常规指标

3、四方井水厂出厂水常规指标

4、四方井水厂管网水(云阳县双江街道办事处)常规指标

四方井水厂管网水(市场监管局)常规指标

四方井水厂管网水(云阳高级中学思齐楼)常规指标


主办:云阳县人民政府办公室 版权所有:云阳县人民政府

网站标识码:5002350018 网站维护联系电话:023-55128091

ICP备案:渝ICP备12003733号-1 渝公网安备:50023502000110号

重庆云阳微发布
新浪官方微博