云阳县2026年3月城市供水水质抽样监测公示
现将2026年3月肖家湾水厂、四方井水厂水质抽样监测结果公布如下:
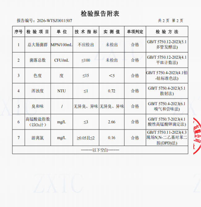
1、肖家湾水厂出厂水常规指标
2、肖家湾水厂管网水(三峡梯城景区公厕)常规指标
肖家湾水厂管网水(稻场安置房3期)常规指标
肖家湾水厂管网水(云阳县第二初级中学)常规指标
3、四方井水厂出厂水常规指标
4、四方井水厂管网水(云阳县双江街道办事处)常规指标
四方井水厂管网水(市场监管局)常规指标
四方井水厂管网水(云阳高级中学思齐楼)常规指标
国务院部门网站
地方政府网站
市政府部门网站
区(县)政府网站
其他网站
主办:云阳县人民政府办公室 版权所有:云阳县人民政府
网站标识码:5002350018 网站维护联系电话:023-55128091
ICP备案:渝ICP备12003733号-1 渝公网安备:50023502000110号
重庆云阳微发布新浪官方微博